
![]() |
![]() |
|---|---|
| 美标气动球阀 | 美标气动球阀 结构图 |
美标气动球阀,是由双作用(或单作用)气动执行机构和美标阀体组成,根据客户的不同需求,选配附件,如手轮,电磁换向阀(ASCO电磁阀、亚德客电磁阀、4M310电磁阀等)空气过滤减压阀、阀位反馈(限位开关)、阀门定位器(YT-1000R阀门定位器、西门子阀门定位器)。根据客户提供的阀门的压力、口径、介质、介质的温度等一系列参数,来确认具体的球阀的选型,包含阀体的材质,阀门的密封件等。美标气动球阀连接方式有:法兰连接、螺纹连接、焊接等。
气动美标球阀广泛应用于石油、化工、发电、造纸等各部门,以及人们日常生活中。
| 公称通径(mm) | 15 | 20 | 25 | 32 | 40 | 50 | 65 | 80 | 100 | 125 | 150 | 200 |
|---|---|---|---|---|---|---|---|---|---|---|---|---|
| 公称通径(in) | 1/2 | 3/4 | 1 | 1-1/4 | 1-1/2 | 2 | 1-1/2 | 3 | 4 | 5 | 6 | 8 |
| 设计依据 | API、ANS标准 | |||||||||||
| 设计标准 | API6D、ANSI B16.34 | |||||||||||
| 结构长度 | API6D、ANSI B16.10 | |||||||||||
| 连接法兰 | API6D、ANSI B16.10 | |||||||||||
| 连接法兰尺寸 | ANSI B16.5 | |||||||||||
| 试验和检验 | API6D、API598 | |||||||||||
![]() |
![]() |
|---|---|
| AT型气动执行机构 | AW型气动执行机构 |
| 执行器型号 | AT、AW系列单、双作用气动执行器 |
|---|---|
| 供气压力 | 0.4~0.7MPa |
| 气源接口 | G1/4"、G1/8"、G3/8"、G1/2" |
| 环境温度 | -30~+70℃ |
| 作用形式 | 单作用执行机构:气关式(B)--失气时阀位开(FO);气开式(K)--失气时阀位关(FC) 双作用执行机构:气关式(B)--失气时阀位保持(FL);气开式(K)-- 失气时阀位保持(FL) |
| 可配附件 | 定位器、电磁阀、空气过滤减压器、保位阀、行程开关、阀位传送器、手轮机构等 |
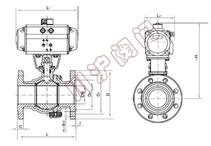
![]() |
|---|
| 美标气动球阀 阀座选型 |
| 公称通径 | 外形尺寸 | 连接法兰尺寸 | |||||||||
|---|---|---|---|---|---|---|---|---|---|---|---|
| mm | in | L | L1 | L2 | ~H | D | D1 | D2 | C | f | n-Φd |
| 15 | 1/2 | 108 | 141 | 71 | 204 | 89 | 60.5 | 35 | 10 | 1.6 | 4-Φ15 |
| 20 | 3/4 | 117 | 141 | 71 | 209 | 99 | 69.9 | 43 | 10.5 | 1.6 | 4-Φ15 |
| 25 | 1 | 127 | 159 | 83 | 214 | 108 | 79.2 | 51 | 11.5 | 1.6 | 4-Φ15 |
| 32 | 1-1/4 | 140 | 211 | 95 | 257 | 117 | 88.9 | 64 | 13 | 1.6 | 4-Φ15 |
| 40 | 1-1/2 | 165 | 248 | 107 | 274 | 127 | 98.6 | 73 | 14.5 | 1.6 | 4-Φ15 |
| 50 | 2 | 178 | 248 | 107 | 290 | 152 | 120.7 | 92 | 16 | 1.6 | 4-Φ19 |
| 65 | 2-1/2 | 190 | 269 | 123 | 310 | 178 | 139.7 | 105 | 18 | 1.6 | 4-Φ19 |
| 80 | 3 | 203 | 269 | 123 | 346 | 191 | 152.47 | 127 | 19.5 | 1.6 | 4-Φ19 |
| 100 | 4 | 229 | 345 | 152 | 378 | 229 | 190.5 | 157 | 24 | 1.6 | 8-Φ19 |
| 125 | 5 | 356 | 409 | 172 | 425 | 254 | 215.9 | 186 | 24 | 1.6 | 8-Φ19 |
| 150 | 6 | 394 | 550 | 215 | 468 | 279 | 241.3 | 216 | 25.5 | 1.6 | 8-Φ22 |
| 200 | 8 | 457 | 633 | 262 | 583 | 343 | 298.5 | 270 | 28.5 | 1.6 | 8-Φ22 |