yp电子刮刮卡(中国)官方网站

yp电子刮刮卡(中国)官方网站
logo
yp刮刮卡首页 >> 产品展示 >> 止回阀 >> 静音止回阀(DRVZ)

静音止回阀(DRVZ)

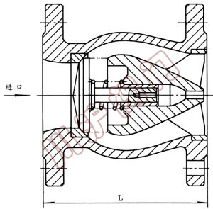
 静音止回阀(DRVZ)  静音止回阀(DRVZ),结构图
静音止回阀(DRVZ) 静音止回阀(DRVZ) 结构图

一、静音止回阀(DRVZ) 结构及用途

该阀由阀体、阀座、导流体、阀瓣、轴瓦及弹簧等零件组成。内部流道采用流线型设计,压力损失小,阀瓣启闭行程很短,停泵时可快速关闭,防止巨大的水锤声,形成静音效果。该阀主要用于给水、排水、消防、暖通系统,可安装于水泵出口处,防止介质倒流及水锤对泵的损坏。

二、静音止回阀(DRVZ) 主要技术参数

公称压力 1.0 1.6 2.5
高工作压力 1.0 1.6 2.5
密封试验压力 1.1 1.76 2.75
壳体试验压力 1.5 2.4 3.75
适用介质
介质温度 X<80℃, T≤150℃, H≤200℃

三、静音止回阀(DRVZ) 主要外形尺寸

公称通径 L
50 120
65 150
80 180
100 240
125 300
150 350
200 450
250 500
300 550
350 572
400 600
450 650
500 700

四、静音止回阀(DRVZ) 主要零件材料

零件名称 材料
阀体、导流体 铸铁、铸钢
阀座、轴瓦、阀瓣、轴 青铜或不锈钢
弹簧 不锈钢

法兰连接尺寸:铁制阀门按GB4216.4(5)-84标准,钢制阀门按GB/T9113.1-2000(RF)标准。