
![]() |
![]() |
| 燃气平板闸阀 | 燃气平板闸阀 结构图 |
阀体采用铸造结构。
阀座采用O形密封圈密封和施加预紧力的浮动阀座结构,使阀门进出口双向密封;并且该结构的启闭力矩仅为普通阀门的1/2,能达 到轻松开、关阀门。
阀座采用密封面上镶嵌PTFE,具有PTFE对金属和金属对金属的双重密封,PTFE密封面同时清除闸板脏物的作用。
阀门的闸板,无论是全开或是全关始终与密封面吻合,密封面得到保护不受介质直接冲刷,从而延长使用寿命。
阀门在全开时,通道平滑为直线,流阻系数极小,无压力损失,可通毛球清扫管线。
阀门关闭时能自动卸掉内腔高压(详见工作原理图),保证使用安全。
采用封闭齿轮转动启闭指示机构,能长期清晰地反映阀门的启闭情况。
直埋式阀门外表面采用环氧煤沥青防腐处理,能与管线同寿命。
| 压力等级 | 常温试验压力(MPa) | 适用温度 | 适用介质 | |||||
|---|---|---|---|---|---|---|---|---|
| 壳体试验 | 左密封 | 右密封 | 低压气密封 | 普通型 | 抗硫型 | |||
| 公称压力 (MPa)(PN) | 1.6 | 2.4 | 1.76 | 1.76 | 0.6 | -29~121℃或按用户要求 | 石油、天然气、水等非腐蚀性介质 | 含H2S、Co2 的石油、天然气、水等腐蚀性介质 |
| 2.5 | 3.75 | 2.75 | 2.75 | 0.6 | ||||
| 4.0 | 6.0 | 4.4 | 4.4 | 0.6 | ||||
| 6.4 | 9.6 | 7.04 | 7.04 | 0.6 | ||||
| 磅级(Lb)(Class) | 150 | 3.0 | 2.2 | 2.2 | 0.6 | |||
| 300 | 7.5 | 5.5 | 5.5 | 0.6 | ||||
1、阀门内部压力相当时(1),闸板处于闭合状态,阀座表面PTFE密封环形成初始密封,每次阀门开或关时,阀座圈能清洁闸板两侧(如图1)
2、对阀门施加管理压力时(2),压力作用于闸板,迫使它贴近出口阀座上PTFE环,压缩它直到闸板停在钢制阀座上,这样,就形成了双重密封,首先是PTFE对金属密封,然后是金属对金属密封,阀座也被牢固地捡到凹槽,在这一点(3),O形圈阻止任何后部介质流。(如图2)
3、阀体压力泄放后,形成进口密封,管道压力作用于进口阀座(4),使其移向闸板,这时形成PTFE对金属的密封,同时,O形圈(5)与阀座凹槽形成紧密的密封。(如图3)
4、阀门自动泄放多余的压力,当阀体压力大于管道压力时,由于热膨胀,进口阀座推向凹槽,阀体内多余的压力在阀座与闸板之间泄放到管道中。(如图4)
| 基本型号 | ZDZ47F、ZDZ67F、ZDZ447F、ZDZ467F、ZDZ547F、ZDZ567F、ZDZ9B47F、ZDZ9B67F | ||
|---|---|---|---|
| 压力等级范围 | PN0.6~6.4MPa(Class150~900) | ||
| 通径范围 | DN25~1000mm(1"~40") | ||
| 驱动方式 | 手轮驱动 | 齿轮动、气动、液动、电动 | |
| 适用范围 | Class 150~300 (PN1.6~4.0) |
Class400 (PN6.4) |
Class 150~900 |
| 1"~40" (DN25~1000mm) |
1"~28" (DN25~700mm) |
1"~40" (DN25~1000mm) |
|
| 设计依据 | GB | API | |
|---|---|---|---|
| 设计标准 | JB/T5298 | API 6D ASME B 16.34 |
|
| 结构长度 | 法兰连接 | GB/T 12221 JB/T 5298 |
API 6D ASME B 16.10 |
| 焊接 | GB/T 15188.1 | ||
| 连接法兰 | GB/T 9113 JB/T 79 | ASME B16.5 MSS SP44 |
|
| 对焊端 | GB/T 12224 | ASME B 16.25 | |
| 试验和检验 | JB/T 9092 | API 6D API 598 |
|
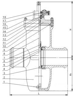
| 序号 | 零件名称 | 材料 | ![]() |
|---|---|---|---|
| GB | |||
| 1 | 排污堵头 | 25 | |
| 2 | 阀体 | WCB | |
| 3 | 闸板 | 16Mn+ENP | |
| 4 | 阀座 | 16Mn | |
| 5 | O形圈 | NBR | |
| 6 | 密封圈 | PTFE | |
| 7 | 阀杆螺母 | ZQAL9-4 | |
| 8 | 阀杆 | 1Cr13 | |
| 9 | 垫片 | 柔性石墨+1Cr18Ni9 | |
| 10 | 阀盖 | WCB | |
| 11 | 双头螺柱 | 35CrMo | |
| 12 | 螺母 | 45 | |
| 13 | O形圈 | NBR | |
| 14 | 轴承 | 组件Package | |
| 15 | 对开环 | 45 | |
| 16 | 内六角螺钉 | 35 | |
| 17 | 键 | 45 | |
| 18 | 开关指示器 | PTFE+1Cr18Ni9 | |
| 19 | 手轮 | Q235A | |
| 20 | 螺母 | 35 |
| 序号 | 零件名称 | 材料 | ![]() |
|---|---|---|---|
| GB | |||
| 1 | 排污堵头 | 25 | |
| 2 | 阀体 | WCB | |
| 3 | 闸板 | 16Mn+ENP | |
| 4 | 密封圈 | PTFE | |
| 5 | 阀座 | 16Mn | |
| 6 | O形圈 | NBR | |
| 7 | 阀杆螺母 | ZQAL9-4 | |
| 8 | 阀杆 | 1Cr13 | |
| 9 | O形圈 | NBR | |
| 10 | 阀盖 | WCB | |
| 11 | O形圈 | NBR | |
| 12 | 轴承 | 组件 | |
| 13 | 对开环 | 45 | |
| 14 | 内六角螺钉 | 45 | |
| 15 | 双头螺柱 | 35CrMo | |
| 16 | 螺母 | NBR-18 | |
| 17 | 键 | 45 | |
| 18 | 开关指示器 | 组件 |
型号:(K)Z4(5、9B)4(6)7F PN0.4、0.6、1.0、1.6、2.5MPa PN2.0MPa(Class150)
| DN(mm) | NPS(in) | 法兰 | 对焊 | 手动 | 齿动 | 齿动装置 | 电动 | 电动装置 | ||||||
|---|---|---|---|---|---|---|---|---|---|---|---|---|---|---|
| L | L1 | H | H1 | D0 | H | H1 | D0 | H | H1 | D0 | ||||
| 25 | 1 | 165 | - | 85 | 228 | 180 | - | - | - | - | - | - | - | - |
| 32 | 11/4 | 165 | - | 103 | 231 | 180 | - | - | - | - | - | - | - | - |
| 40 | 11/2 | 178 | - | 115 | 240 | 250 | - | - | - | - | - | - | - | - |
| 50 | 2 | 178 | 216 | 130 | 255 | 250 | - | - | - | - | - | - | - | - |
| 65 | 21/2 | 190 | 241 | 160 | 355 | 300 | - | - | - | - | - | - | - | - |
| 80 | 3 | 203 | 283 | 180 | 360 | 300 | - | - | - | - | - | - | - | - |
| 100 | 4 | 229 | 305 | 214 | 400 | 300 | - | - | - | - | - | - | - | - |
| 125 | 5 | 254 | 381 | 257 | 460 | 350 | - | - | - | - | - | - | - | - |
| 150 | 6 | 267 | 403 | 300 | 500 | 350 | - | - | - | - | - | - | - | - |
| 200 | 8 | 292 | 419 | 388 | 570 | 350 | - | - | - | - | - | - | - | - |
| 250 | 10 | 330 | 457 | 475 | 680 | 400 | 475 | 700 | 350 | 0型 | 475 | 710 | 500 | SMC-03 |
| 300 | 12 | 356 | 502 | 547 | 750 | 450 | 547 | 870 | 350 | 0型 | 547 | 880 | 305 | SMC-00 |
| 350 | 14 | 381 | 572 | 625 | 875 | 450 | 625 | 995 | 450 | 1型 | 625 | 1015 | 305 | SMC-00 |
| 400 | 16 | 406 | 610 | 712 | 1000 | 500 | 712 | 1120 | 450 | 1型 | 712 | 1130 | 305 | SMC-00 |
| 450 | 18 | 432 | 660 | 785 | 1130 | 500 | 785 | 1280 | 450 | 1型 | 785 | 1360 | 305 | SMC-0 |
| 500 | 20 | 457 | 711 | 880 | 1200 | 600 | 880 | 1350 | 450 | 1型 | 880 | 1430 | 305 | SMC-0 |
| 600 | 24 | 508 | 813 | 1045 | 1420 | 800 | 1045 | 1570 | 500 | 2型 | 1045 | 1650 | 305 | SMC-1 |
| 700 | 28 | 610 | 914 | 1190 | 1650 | 800 | 1190 | 1800 | 500 | 2型 | 1190 | 1910 | 305 | SMC-1 |
| 800 | 32 | 660 | 914 | 1360 | 1880 | 1000 | 1360 | 2040 | 500 | 2型 | 1360 | 2140 | 305 | SMC-1 |
| 900 | 36 | 771 | 1016 | 1510 | 2100 | 1000 | 1510 | 2280 | 600 | 3型 | 1510 | 2390 | 458 | SMC-2 |
| 1000 | 40 | 811 | - | 1715 | 2300 | 1200 | 1715 | 2480 | 600 | 3型 | 1715 | 2590 | 458 | SMC-2 |
型号:(K)Z4(5、9B)4(6)7F PN4.0MPa PN5.0MPa(Class300)
| DN(mm) | NPS(in) | 法兰 | 对焊 | 手动 | 齿动 | 齿动装置 | 电动 | 电动装置 | |||||||
|---|---|---|---|---|---|---|---|---|---|---|---|---|---|---|---|
| L | |||||||||||||||
| GB | API | L1 | H | H1 | D0 | H | H1 | D0 | H | H1 | D0 | ||||
| 25 | 165 | 165 | 165 | 85 | 238 | 180 | - | - | - | - | - | - | - | - | |
| 32 | 178 | 178 | 178 | 103 | 238 | 180 | - | - | - | - | - | - | - | - | |
| 40 | 190 | 190 | 190 | 115 | 245 | 250 | |||||||||
| 50 | 216 | 216 | 216 | 130 | 265 | 250 | |||||||||
| 65 | 241 | 241 | 241 | 160 | 365 | 300 | |||||||||
| 80 | 283 | 283 | 283 | 180 | 375 | 300 | |||||||||
| 100 | 305 | 305 | 305 | 214 | 420 | 300 | |||||||||
| 125 | 381 | 381 | 381 | 257 | 480 | 350 | |||||||||
| 150 | 403 | 403 | 403 | 300 | 520 | 350 | |||||||||
| 200 | 419 | 419 | 419 | 388 | 590 | 350 | 388 | 710 | 350 | 0型 | 388 | 720 | 305 | SMC-00 | |
| 250 | 457 | 457 | 457 | 475 | 700 | 400 | 475 | 820 | 350 | 0型 | 475 | 830 | 305 | SMC-00 | |
| 300 | 502 | 502 | 502 | 547 | 780 | 450 | 547 | 900 | 450 | 1型 | 547 | 910 | 305 | SMC-0 | |
| 350 | 572 | 762 | 762 | 625 | 895 | 450 | 625 | 1015 | 450 | 1型 | 625 | 1095 | 305 | SMC-0 | |
| 400 | 610 | 838 | 838 | 712 | 1020 | 550 | 712 | 1150 | 450 | 1型 | 712 | 1230 | 305 | SMC-0 | |
| 450 | 660 | 914 | 914 | 785 | 1150 | 700 | 785 | 1300 | 500 | 2型 | 785 | 1400 | 305 | SMC-1 | |
| 500 | 711 | 991 | 991 | 880 | 1220 | 800 | 880 | 1370 | 500 | 2型 | 880 | 1470 | 305 | SMC-1 | |
| 600 | 787 | 1143 | 1143 | 1045 | 1440 | 1000 | 1045 | 1620 | 600 | 2型 | 1045 | 1730 | 305 | SMC-1 | |
型号:(K)Z4(5、9B)4(6)7F PN6.4MPa (Class400)
| DN(mm) | NPS(in) | 法兰 | 对焊 | 手动 | 齿动 | 齿动装置 | 电动 | 电动装置 | ||||||
|---|---|---|---|---|---|---|---|---|---|---|---|---|---|---|
| L | L1 | H | H1 | D0 | H | H1 | D0 | H | H1 | D0 | ||||
| 50 | 2 | 216 | 250 | 158 | 265 | 300 | - | - | - | - | - | - | - | - |
| 65 | 21/2 | 241 | 280 | 190 | 365 | 300 | - | - | - | - | - | - | - | - |
| 80 | 3 | 283 | 310 | 225 | 375 | 350 | - | - | - | - | - | - | - | - |
| 100 | 4 | 305 | 350 | 255 | 420 | 350 | - | - | - | - | - | - | - | - |
| 125 | 5 | 381 | 400 | 275 | 480 | 400 | - | - | - | - | - | - | - | - |
| 150 | 6 | 403 | 450 | 330 | 520 | 400 | - | - | - | - | - | - | - | - |
| 200 | 8 | 419 | 550 | 410 | 590 | 500 | 388 | 710 | 350 | 0型 | 388 | 720 | 305 | SMC-0 |
| 250 | 10 | 457 | 650 | 490 | 700 | 500 | 475 | 820 | 350 | 0型 | 475 | 830 | 305 | SMC-0 |
| 300 | 12 | 502 | 750 | 570 | 780 | 600 | 547 | 900 | 450 | 1型 | 547 | 910 | 305 | SMC-0 |
| 350 | 14 | 762 | 850 | 625 | 910 | 600 | 625 | 1015 | 450 | 1型 | 625 | 1095 | 305 | SMC-1 |
| 400 | 16 | 838 | 950 | 735 | 1020 | 700 | 712 | 1150 | 450 | 1型 | 712 | 1230 | 305 | SMC-1 |