
![]() |
![]() |
| 气动薄膜调节蝶阀 | 气动活塞调节蝶阀 |
ZMAW气动薄膜调节蝶阀,ZSRW、ZSCW气动活塞调节蝶阀输入控制信号(4-20mADC或1-5VDC)气源即可控制运转,结构简单紧凑,加工方便,易制成大口径,具有自清洗作用,阻力系数小,流通能力大。适用于悬浮颗粒的流体及浓、浊浆状流体的调节。干净介质,可选用阀板加软密封(橡胶圈、四氟圈)来减少泄漏(可达0.01%),高温高压工况可选用三偏心硬密封阀体。订货时要予以注明即可。
| 公称通径 mm | 50 | 80 | 100 | 125 | 150 | 200 | 250 | 300 | 350 | 400 | 450 | 500 | 600 | 700 | 800 | 900 | 1000 | |
|---|---|---|---|---|---|---|---|---|---|---|---|---|---|---|---|---|---|---|
| 额定流量系数Kv | 85 | 220 | 340 | 530 | 770 | 1360 | 2130 | 3060 | 4160 | 5450 | 6900 | 8500 | 12200 | 16600 | 21700 | 27540 | 34000 | |
| 公称压力 MPa | 0.6 | |||||||||||||||||
| 额定转角 ° | 70 | |||||||||||||||||
| 信号压力 KPa | 20~100 | |||||||||||||||||
| 流量特性 | 近似等百分比 | |||||||||||||||||
| 介质温度 ℃ | -20~200(常温) ; -40~450(中温) ; -40~600(高温) | |||||||||||||||||
| 接管法兰 | 按JB78-59对夹式法兰连接 | |||||||||||||||||
| 信号连接螺孔 | M16×1.5 | |||||||||||||||||
| 配用执行机构 | 薄膜式 | ZMA-2 | ZMA-3 | ZMA-4 | ZMA-5 | |||||||||||||
| 活塞式 | ZSC-45 | |||||||||||||||||
| 阀体材质 | ZG230-450;1Cr18Ni9; ZG1Cr18Ni9Ti、ZGOCr18Ni12Mo2Ti | |||||||||||||||||
| 可配附件 | 手轮、定位器、空气过滤减压器等。 | |||||||||||||||||
| 型 号 | ZMA-2 | ZMA-3 | ZMA-4 | ZMA-5 |
|---|---|---|---|---|
| 有效面积 cm2 | 280 | 400 | 630 | 1000 |
| 行 程 mm | 16 | 25 | 40 | 60 |
| 弹簧范围 KPa | 20~100 ; 40~200 ; 20~60 ; 60~100 | |||
| 型 号 | 活塞直径 mm | 有效面积 cm2 | 大行程 mm | 大操作压力 KPa | 大输出力 N |
|---|---|---|---|---|---|
| ZSC-45 | 250 | 484 | 60 | 500 | 21800 |
| 执 行 机 构 | 薄膜式执行机构 | 活塞式执行机构 | |||||
|---|---|---|---|---|---|---|---|
| 类 别 | 不带定位器 | 带定位器 | 带定位器 | ||||
| 弹簧范围 KPa | |||||||
| 20~100 40~200 | 20~60 60~100 | ||||||
| 项 目 | 基 本 误 差% | ±8 | - | ±2.0 | ±2.0 | ||
| 回 差% | 6 | - | 2.0 | 2.0 | |||
| 死 区% | 5 | - | 0.8 | 0.8 | |||
| 始终点偏差% | 气 开 | 始点 | ±4.0 | ±4.0 | ±2.0 | ± | |
| 终点 | ±8 | ±8 | |||||
| 气 关 | 始点 | ±8 | ±8 | ||||
| 终点 | ±4.0 | ±4.0 | |||||
| 额定转角偏差% | ±2.5 | ||||||
| 允许泄漏量1/h | 2×10-2×阀的额定容量 | ||||||
| 配用执行机构型号 | ZMA-2 | ZMA-3 | ZMA-4 | ZMA-5 | ZSC-45 | ||||||
|---|---|---|---|---|---|---|---|---|---|---|---|
| 0° | 70° | 0° | 70° | 0° | 70° | 0° | 70° | 0° | 70° | ||
| 公称通径mm | 50 | 0.6 | 0.097 (0.22) | ||||||||
| 80 | 0.6 | 0.038 (0.086) | |||||||||
| 100 | 0.556 (0.6) |
0.0196 (0.0445) | |||||||||
| 125 | 0.6 | 0.0250 (0.0542) | |||||||||
| 150 | 0.444 (0.6) |
0.0150 (0.0314) | |||||||||
| 200 | 0.185 (0.407) |
0.00587 (0.0129) | |||||||||
| 250 | 0.331 (0.6) |
0.00845 (0.0175) | |||||||||
| 300 | 0.181 (0.385) |
0.00461 (0.00983) | |||||||||
| 350 | 0.133 (0.284) |
0.00292 (0.00622) | |||||||||
| 400 | 0.216 (0.45) |
0.00485 (0.0101) | |||||||||
| 450 | 0.171 (0.356) |
0.00341 (0.00741) | |||||||||
| 500 | 0.139 (0.289) |
0.0025 (0.0052) | |||||||||
| 600 | 0.6 | 0.019 | |||||||||
| 700 | 0.6 | 0.0119 | |||||||||
| 800 | 0.442 | 0.00795 | |||||||||
| 900 | 0.339 | 0.00599 | |||||||||
| 1000 | 0.236 | 0.00403 | |||||||||
注:括号内数值为带定位器的允许压差。
| 零件名称 | 材 料 | 温度范围℃ |
|---|---|---|
| 阀体 阀板 | ZG230-450 | -40-450 |
| ZG1Cr18Ni9Ti | -250-550 | |
| ZG0Cr18Ni12Mo2Ti |
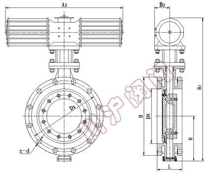
| 公称通径 | D1 | D2 | L1 | L2 | n-d | H | H1 | H2 | D | L3 | 法兰端面距 |
|---|---|---|---|---|---|---|---|---|---|---|---|
| 50 | 110 | 92 | 200 | 4-14 | 637 | 582 | 382 | 280 | 278 | 60 | |
| 80 | 150 | 125 | 92 | 200 | 4-18 | 644 | 582 | 382 | 280 | 278 | |
| 100 | 175 | 145 | 102 | 210 | 654 | 280 | 278 | ||||
| 125 | 200 | 175 | 117 | 234 | 8-18 | 723 | 636 | 436 | 325 | 278 | |
| 150 | 225 | 200 | 130 | 247 | 736 | 325 | 278 | ||||
| 200 | 280 | 255 | 172 | 287 | 763 | 325 | 278 | 70 | |||
| 250 | 335 | 310 | 197 | 327 | 12-18 | 1008 | 853 | 615 | 410 | 376 | |
| 300 | 395 | 362 | 227 | 351 | 12-23 | 1034 | 410 | 376 | 80 | ||
| 350 | 445 | 412 | 252 | 376 | 1059 | 410 | 376 | ||||
| 400 | 495 | 462 | 296 | 432 | 16-23 | 1238 | 1007 | 720 | 495 | 376 | 100 |
| 450 | 550 | 518 | 321 | 459 | 1266 | 495 | 376 | ||||
| 500 | 600 | 568 | 346 | 484 | 1291 | 495 | 376 | ||||
| 600 | 705 | 755 | 480 | 565 | 20-25 | 1486 | 1109 | 796 | 180 | 150 | |
| 700 | 810 | 860 | 530 | 615 | 24-25 | 1539 | 180 | ||||
| 800 | 920 | 975 | 595 | 675 | 24-30 | 1596 | 180 | 200 | |||
| 900 | 1020 | 1075 | 685 | 770 | 24-30 | 1661 | 1124 | 180 | |||
| 1000 | 1120 | 1175 | 735 | 810 | 28-30 | 1711 | 1124 | 180 | 200 |
| 公称通径DN | 结构长度 (标准值) |
连接尺寸 | |||||||||
|---|---|---|---|---|---|---|---|---|---|---|---|
| L | H | H1 | PN0.6MPa | PN1.0MPa | |||||||
| 毫米 | 英寸 | 法兰式 | 对夹式 | D | D1 | Z-d | D | D1 | Z-d | ||
| 50 | 2 | 108 | 43 | 100 | 400 | 140 | 110 | 4--14 | 165 | 125 | 4--18 |
| 65 | 21/2 | 112 | 46 | 115 | 420 | 160 | 130 | 4--14 | 185 | 145 | 4--18 |
| 80 | 3 | 114 | 49 | 120 | 138 | 190 | 150 | 4--18 | 200 | 160 | 8-18 |
| 100 | 4 | 127 | 56 | 130 | 524 | 210 | 170 | 4--18 | 220 | 180 | 8-18 |
| 125 | 5 | 140 | 64 | 150 | 570 | 240 | 200 | 8-18 | 250 | 210 | 8-18 |
| 150 | 6 | 140 | 70 | 170 | 743 | 265 | 225 | 8-18 | 285 | 240 | 8-22 |
| 200 | 8 | 152 | 76 | 200 | 767 | 320 | 280 | 8-18 | 340 | 295 | 8-22 |
| 250 | 10 | 165 | 76 | 235 | 790 | 375 | 335 | 12-18 | 395 | 350 | 12-22 |
| 300 | 12 | 178 | 83 | 300 | 890 | 440 | 395 | 12-22 | 445 | 400 | 12-22 |
| 350 | 14 | 190 | 92 | 325 | 954 | 490 | 445 | 16-22 | 505 | 460 | 16-22 |
| 400 | 16 | 216 | 102 | 355 | 1070 | 540 | 495 | 16-22 | 565 | 515 | 16-26 |
| 450 | 18 | 222 | 114 | 390 | 1140 | 595 | 550 | 20-22 | 615 | 565 | 20-26 |
| 500 | 20 | 229 | 127 | 420 | 1200 | 645 | 600 | 20-26 | 670 | 620 | 20-26 |
| 600 | 24 | 267 | 154 | 490 | 1380 | 755 | 705 | 24--26 | 780 | 725 | 20-30 |
| 700 | 28 | 292 | 165 | 550 | 1580 | 860 | 810 | 24--30 | 895 | 840 | 24--30 |
| 800 | 32 | 318 | 190 | 640 | 1760 | 975 | 920 | 24--30 | 1015 | 950 | 24--33 |
| 900 | 36 | 330 | 203 | 710 | 1075 | 1020 | 24--30 | 1115 | 1050 | 28-33 | |
| 1000 | 40 | 410 | 216 | 770 | 1175 | 1120 | 28--30 | 1230 | 1160 | 28-36 | |
| 1200 | 48 | 470 | 254 | 890 | 1405 | 1340 | 32-33 | 1450 | 1380 | 32-39 | |