yp电子刮刮卡(中国)官方网站

yp刮刮卡首页 >> 产品展示 >> 气动蝶阀 >> 气动真空蝶阀

GIQ气动真空蝶阀

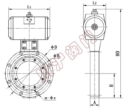
气动真空蝶阀 气动真空蝶阀,结构图
气动真空蝶阀 气动真空蝶阀 结构图

一、气动真空蝶阀 概述

高真空气动蝶阀是用压缩空气为动力,通过气动装置改变气路方向,控制执行气缸来驱动蝶阀,接通或切断真空管路中的气流。适用的工作介质为空气及非腐蚀性气体。

二、气动真空蝶阀 性能参数

适用范围(Pa) 105~6.7x10-4
漏气率(Pa.L/S) 6.7X1010-4
电磁阀电压(V/HZ) 220/50
气源压力(MPa) 0.4~0.6
法兰标准 GB6070.3-85
安装位置 任意
介质温度(℃) 丁腈橡胶-25 ~ +80,氟橡胶-30 ~ +150,
主要件材质 阀体、阀板 碳钢(镀镍)或不锈钢
密封件 丁腈橡胶或氟橡胶

三、气动真空蝶阀 外形连接尺寸

公称通径(DN) 50 63 80 100 125 150 200 250 300 400
连接尺寸 A 26 32 35 50 55 60
ΦD 110 130 145 165 200 225 285 335 425 510
ΦB 90 110 125 145 175 200 260 310 395 480
n-ΦC 4-Φ9 8-Φ9 4-Φ12 12-Φ11 12-Φ14 16-Φ14