
![]() |
![]() |
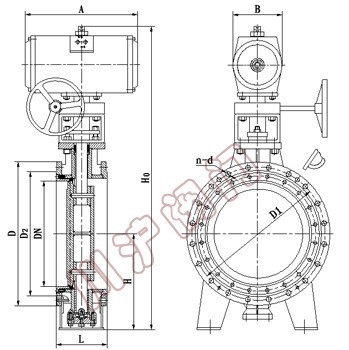
| 气动通风蝶阀 | 气动通风蝶阀 结构图 |
本蝶阀采用与阀体相同材料加工成密封圈,采用电或气动传动。其适用温度随阀体选材而定,公称压力≤0.6MPa,一般适用于工业、冶金、环保等管道作通风调节介质流量之用。其主要特点为:
1、设计新颖、合理、结构独特,重量轻,启闭迅速。
2、操力矩小,操作方便,省力灵巧。
3、采用适应的材料以满足低、中、高不同介质温度其及腐蚀性介质等。
设计标准:GB/T12238-1989 JB/T8692-1998
法兰连接尺寸:GB/T9115.1-2000
结构长度 h:GB/T12221-1989
压力试验:GB/T13927-1992;JB/T9092-1999
采用新型系列GT型气动执行器,有双作用式和单作用式(弹簧复位),齿轮传动,安全可靠;大口径阀门采用系列AW型气动执行器拔叉式传动,结构合理,输出扭矩大,有双作用式和单作用式。
1、齿轮式双活塞,输出力矩大,体积小。
2、气缸选用铝金材料,重量轻、外形美观。
3、可在顶部、底部安装手动操作机构。
4、齿条式连接可调节开启角度、额定流量。
5、执行器可选带电讯号反馈指示及各类附件以实现自动化操作。
6、IS05211标准连接为产品的安装更换提供了方便。
7、两端调的节螺钉可使标准产品在0°和90°有±4°的可调范围。确保与阀门的同步精度。
根据不同控制和要求可选择下列附件:
切断型附件:单电控电磁阀、双电控电磁阀、限位开关回讯器。
调节型附件:电气定位器、气动定位器、电气转换器。
气源处理附件:空气过滤减压阀、气源处理三联件。
手动机构:HVSD手操机构
| 公称通径 | DN(mm) | 50~2000 | ||
|---|---|---|---|---|
| 公称压力 | PN(MPa) | 0.05 | 0.25 | 0.6 |
| 试验压力 | 强度试验 | 0.075 | 0.375 | 0.9 |
| 密封试验 |
≤1.5%泄漏量 |
|||
| 适用介质 | 煤气、含尘气体、烟道气等。 | |||
| 适用温度 | 气传动、电传动。 | |||
| 零件名称 | 材料 |
|---|---|
| 阀体 | 铸钢、不锈钢、铬镍钼钛钢、铬钼钛钢等特殊材料 |
| 蝶板 | 铸钢、不锈钢、铬镍钼钛钢、铬钼钛钢等特殊材料 |
| 密封圈 | 与阀体相同 |
| 阀杆 | 碳钢、2Cr13、不锈钢、铬镍钼钛钢 |
| 填料 | 氟塑料、柔性石墨 |
| 公称通径 | 结构长度 (标准值) |
外形尺寸 (参考值) |
连接尺寸 (标准值) |
重量 (kg) |
|||||||||
|---|---|---|---|---|---|---|---|---|---|---|---|---|---|
| 0.05MPa和0.25MPa | 0.6MPa | ||||||||||||
| 毫米 | 英寸 | L | H | H0 | A | B | D | D1 | n-d | D | D1 | n-d | |
| 50 | 2 | 108 | 70 | 337 | 180 | 65 | 140 | 110 | 4-14 | 140 | 110 | 4-14 | 16 |
| 65 | 21/2 | 112 | 80 | 357 | 180 | 65 | 160 | 130 | 4-14 | 160 | 130 | 4-14 | 17 |
| 80 | 3 | 114 | 95 | 385 | 180 | 65 | 190 | 150 | 4-18 | 190 | 150 | 4-18 | 19 |
| 100 | 4 | 127 | 105 | 405 | 180 | 65 | 210 | 170 | 4-18 | 210 | 170 | 4-18 | 22 |
| 125 | 5 | 140 | 120 | 483 | 245 | 72 | 240 | 200 | 8-18 | 240 | 200 | 8-18 | 27 |
| 150 | 6 | 140 | 132 | 508 | 245 | 72 | 265 | 225 | 8-18 | 265 | 225 | 8-18 | 31 |
| 200 | 8 | 152 | 160 | 566 | 245 | 72 | 320 | 280 | 8-18 | 320 | 280 | 8-18 | 47 |
| 250 | 10 | 165 | 187 | 623 | 245 | 72 | 375 | 335 | 12-18 | 375 | 335 | 12-18 | 68 |
| 300 | 12 | 178 | 220 | 750 | 355 | 93 | 440 | 395 | 12-22 | 440 | 395 | 12-22 | 79 |
| 350 | 14 | 190 | 245 | 803 | 355 | 93 | 490 | 445 | 12-22 | 490 | 445 | 12-22 | 130 |
| 400 | 16 | 216 | 270 | 852 | 355 | 93 | 540 | 495 | 16-22 | 540 | 495 | 16-22 | 141 |
| 450 | 18 | 222 | 297 | 907 | 355 | 93 | 595 | 550 | 16-22 | 595 | 550 | 16-22 | 190 |
| 500 | 20 | 229 | 322 | 960 | 355 | 93 | 645 | 600 | 20-22 | 645 | 600 | 20-22 | 225 |
| 600 | 24 | 267 | 377 | 1080 | 550 | 350 | 755 | 705 | 20-26 | 755 | 705 | 20-26 | 245 |
| 700 | 28 | 292 | 430 | 1185 | 550 | 350 | 860 | 810 | 24-26 | 860 | 810 | 24-26 | 320 |
| 800 | 32 | 318 | 487 | 1300 | 550 | 350 | 975 | 920 | 24-30 | 975 | 920 | 24-30 | 405 |
| 900 | 36 | 330 | 537 | 1400 | 550 | 350 | 1075 | 1020 | 24-30 | 1075 | 1020 | 24-30 | 500 |
| 1000 | 40 | 410 | 587 | 1500 | 550 | 350 | 1175 | 1120 | 28-30 | 1175 | 1120 | 28-30 | 700 |
| 1200 | 48 | 470 | 702 | 1825 | 600 | 350 | 1375 | 1320 | 32-30 | 1405 | 1340 | 32-33 | 750 |