yp电子刮刮卡(中国)官方网站

yp刮刮卡首页 >> 产品展示 >> 电磁阀 >> 水用电磁阀

ZCS水用电磁阀|液用电磁阀

 ZCS水用电磁阀 法兰式  ZCS水用电磁阀 螺纹式
水用电磁阀 法兰式 水用电磁阀 螺纹式

一、水用电磁阀 概述

 ZCS水用电磁阀选用于以水或液体为工作介质,可自动控制或远程控制水、油、液体等工作介质管路的通断。由于本阀采用橡胶密封,故对工作介质的清洁度大大减低,具有启闭迅速,可靠性高等优点。

二、水用电磁阀 结构特点

1.电磁先导膜片式操作结构
2.阀门流量比普通阀提高10%
3.采用特殊密封结构和特种密封材料无泄漏
4.寿命长是同类产品的5倍以上
5.工作平稳噪音低、无水锤冲击、无颤抖声
6.采用膜片式、对介质洁净度要求较低
7.不锈钢可动铁芯经久耐用,反应快速;
8.配管方式可任意角度安装,为增强寿命好是水平管线圈朝上
9.防爆线圈符合T4,T5和测CE的标准(德国NASS线圈)
10.引用标准:GB3836·9 防爆标志 Exm I/IIT4(国产线圈)

三、水用电磁阀 结构原理

本阀通径15~100为膜片式为二次开阀的先导式电磁阀,通径125~300为三次开阀的先导式电磁阀,其结构主要由副阀和主阀组成。根据断电时所处开关状态的不同,可分为常闭电磁阀和常开电磁阀。常闭电磁阀,常位时,活动铁芯封住副阀口,阀腔内压力平衡,副阀、主阀口封闭。当线圈通电,产生电磁力:将活动铁芯吸上,副阀打开,主阀腔内的介质自导阀门外世,以致主阀阀杯上下产生压力差,膜片或阀杯被迅速托起主阀口开启,阀呈通路状态。
当线圈断电,磁场消失,活动铁芯复位,封闭副阀口,继而副阀和主阀阀杯内压力上升,主阀阀杯压向阀座,阀又呈关闭状态。
 常开电磁阀,当线圈通电时,产生磁力,衔铁在磁力作用下下移,推动副阀阀杯下移,副阀关闭,随着主阀阀杯上下压差趋向相等,主阀阀杯由自重压向密封面,阀门关闭。当线圈断电后,磁力为零,衔铁祁副阀阀杯由于弹簧作用上升,副阀打开,主阀阀杯内介质经副阀流走,压力下降,当压力降到一定值后,主阀阀杯由上下压差作用向上升起,主阀打开,阀门开启。

四、水用电磁阀 型号规格说明

ZCS水用电磁阀型号规格

五、水用电磁阀 技术参数

工作介质 水、粘度≤4°E油及其它非腐蚀性液体
介质温度°C ≤60
公称压力(Mpa) 1.0
工作压差(Mpa) 0.05~1.0 0.1~1.0 0.15~1.0
电源电压 AC200V,其余规格可作特殊订货(36V、12V、24V)
流量系数(Kv)按JB/T7352-94规定
泄漏量(ml/min) 按JB/T7352-94.F规定
公称通径(mm) 10 15 20 25 32 40 50 65 80 100 125 150 200 250 300
功耗(VA) 17 30

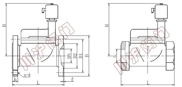
六、水用电磁阀 安装尺寸

ZCS水用电磁阀
ZCS水用电磁阀
公称通径 DN 内螺纹连接   法兰连接
外形尺寸 内螺纹 外形尺寸 法兰尺寸
H L G H L D D1 D2 b f n-d
15 112 80 1/2                
20 119 80 3/4                
25 130 90 1 130 60 115 85 65 16 3 4-Φ14
32 137 140 11/4 137 180 140 100 76 18 3 4-Φ18
40 152 156 11/2 152 200 150 110 84 18 3 4-Φ18
50 164 180 2 164 230 165 125 99 20 3 4-Φ18
65       222 290 185 145 118 20 3 4-Φ18
80       253 310 200 160 132 22 3 8-Φ18
100       260 350 220 180 156 24 3 8-Φ18
125       315 400 250 210 184 26 3 8-Φ18
150       350 480 285 240 211 26 3 8-Φ22
200       390 600 340 295 266 26 3 8-Φ22
250       430 730 395 350 319 28 3 12-Φ22
300       480 850 445 400 370 28 4 12-Φ22