yp电子刮刮卡(中国)官方网站

yp刮刮卡首页 >> 产品展示 >> 电磁阀 >> ZCRB系列紧急切断电磁阀

ZCRB系列紧急切断电磁阀

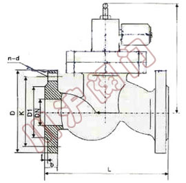
 ZCRB系列紧急切断电磁阀  ZCRB系列紧急切断电磁阀,外型尺寸图
ZCRB系列紧急切断电磁阀 ZCRB系列紧急切断电磁阀 外型尺寸图

一、ZCRB系列紧急切断电磁阀 应用范围

 航天、船舶重工、石油化工、电力装备、工业炉窑、锅炉、燃气管网、燃气处理厂、加气站、燃气泄漏报警系统、安全保护系统、消防报警系统,广泛用于城市或工厂易燃易爆介质管网安全保护,当发现事故隐患时快速切断,及时制止恶性事故发生。

二、ZCRB系列紧急切断电磁阀 主要技术参数

原理结构:直动活塞型、先导活塞型 控制方式:常开时不通电;通电关闭,可手动打开
关闭速度:≤1秒
工作压力:0-16bar
流体范围:煤气、天然气、液化气、沼气、等气体或燃油
流体温度:-15~60℃
防爆等级: dⅡBT4、dⅡCT5
标准电压:AC220V、DC24V (其它可特制)
电气连接:三芯防爆电缆引线

三、ZCRB系列紧急切断电磁阀 性能特点

蝶式活塞 防腐耐磨 单环密封 防止泄漏
导向设置 消除故障 瞬间通电 快速切断
自保持开 手动复位 特制线圈 超长寿命

四、ZCRB系列紧急切断电磁阀 规格参数及安装尺寸

通径DN (mm) 阀体
材质
工作压力
(bar)
Kv值
(m3/h)
内螺纹连接(mm) 法兰连接(mm)
G螺纹 L H L H D 孔距 n-d
20 铸铁
304不锈钢
B06级:0-6
B16级:0.3-16
5.0 3/4〃 85 130 96 170 Φ95 75 4-Φ12
25 8.5 1〃 98 140 110 180 Φ106 85 4-Φ12
32 15 1 1/4〃 120 150 128 200 Φ125 100 4-Φ14
40 22 1 1/2〃 130 160 142 210 Φ138 110 4-Φ16
50 35 2〃 150 180 158 230 Φ155 125 4-Φ17
65 B01级:0-1
B03级:0-3
B06级:0-6
B10级:1-10
48       200 290 Φ176 145 4-Φ17
80 75       220 320 Φ190 160 4-Φ17
100 115       260 350 Φ210 180 8-Φ16
150 铸铁 250       400 500 Φ280 240 8-Φ22
200 铸钢、不锈钢 B0.05级:0-0.05;(特制:0-6) 420       495   Φ340 295 12-Φ22
250 660       620   Φ405 355 12-Φ26
300         700   Φ460 410 12-Φ26
350 B0.05级:0-0.05;         790   Φ520 470 16-Φ26
400         915   Φ580 525 16-Φ30
450         980   Φ640 585 20-Φ30
500         980   Φ715 650 20-Φ33
600         1300   Φ840 770 20-Φ36